Question interest in steering valve block?

Curious if there is any interest in an autosteer valve block we were working on for our own tractors. We found a source and it looks like the valve blocks will run around $300 US. Will be less with any quantity as we priced a single part made.

The design will work on open center, closed center, and closed center with load sense. For with load sense you would have to add an external load sense check but those are around $30 on ebay or amazon. The block will be 6inx6inx5in. You would have to buy your valve cartridges yourself and install them.

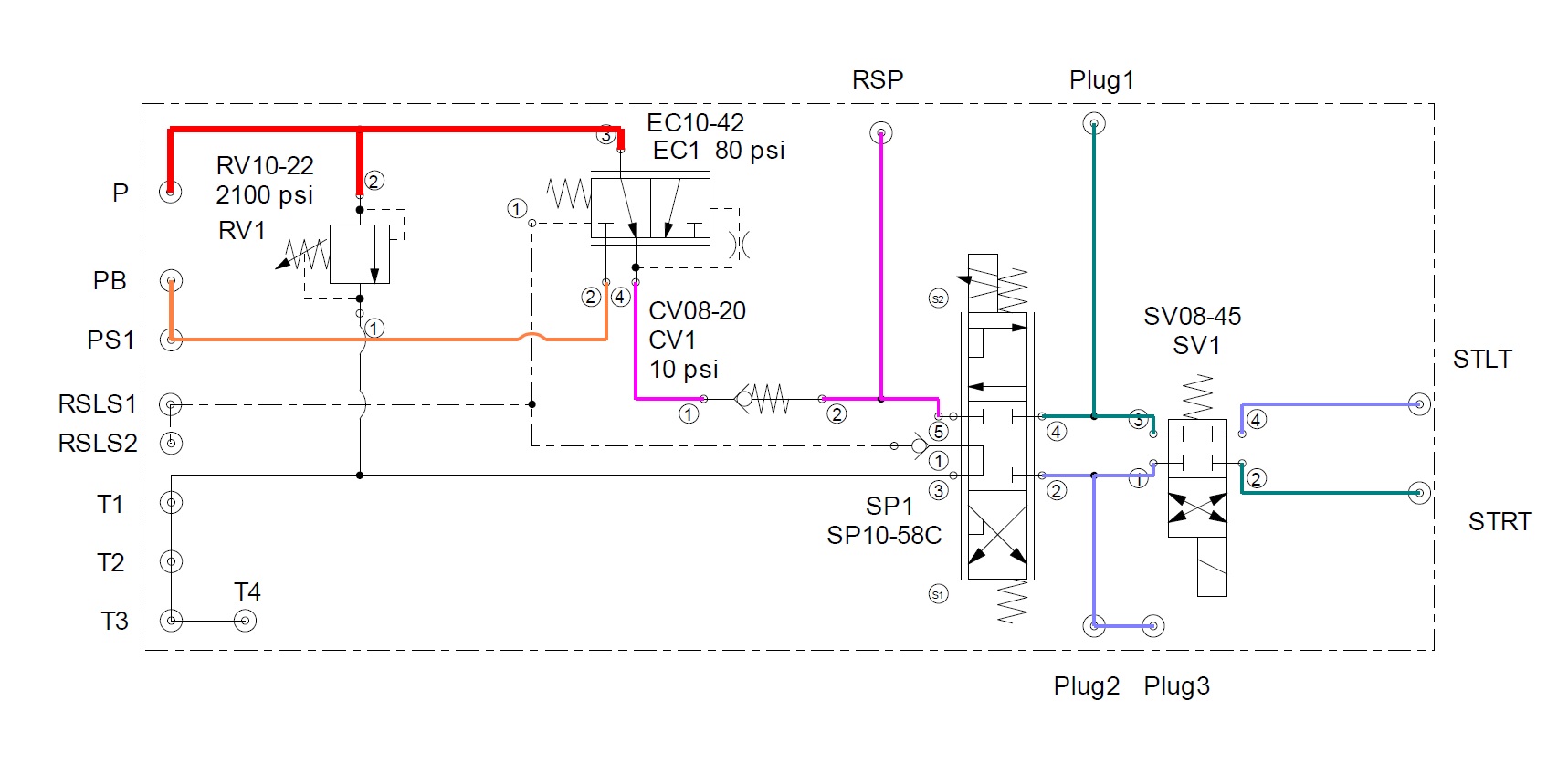
It uses a relief, an internal load sense pressure compensator with Power Beyond flow for open center systems, a check cart, a SP10-58C pwm cart, and a SV08-45 acting as a blocker valve.

3 Likes

Any reason why you cant include the valve cartridges with the block and save yourself alot of hassle of people asking you what they need and are these the right ones etc. Also is the load sense check valve is only $30 wouldn’t it be alot easier to include this as standard then up to the customer if they need it or not. Might simplify things a bit for you if you plan on selling them. A fully assembled block will be more appealing than a part assembled one

1 Like

Well the cartridges are pretty easy to find even on ebay or from any hydraulics supplier. The machined blocks are what is difficult to find except from brand names for $4000 each.
The basic design is inspired by a block we bought off eBay a few years ago that had been dropped and the SP10-58c cart was bent. We have installed that one on one of the farm tractors along with a 6/2 valve as a blocking system with a load sense T’d between the orbitrol steering hoses.
This one has a sensor port placed in the Power Beyond for open center so no 6/2 valve is needed. All our farm tractors have open center steering so we don’t have need for any external load sense connection. As the design uses an internal load sense to activate the pressure compensator, it can have a ball check tee used to connect it to a load sense type system.

Installing the load sense Tee passage into the valve block design would definitely complicate the oil passage layout and increase machining steps significantly.

Prices on hydraulic cartridges have become far more volatile since the tariffs started. Buying them as NOS or used greatly cuts the individual costs.

We plan on getting a couple made for our use. It just seems if we had around 10 it would lower the price quite a bit.

1 Like

I might be interested in a couple. What brands of components are you using? are they quality components that i can replace, or weird hard to find again parts?

by valve cartridges, do you mean the lock valves or the steering valves? (I have a few Baraki valves, assuming yours are very similar)

300$ is an amazingly low price!

The parts are all specified out as Hydraforce cartridge valves. I worked on the design a bit to add in the extra ports and check valves to read an external load sense signal. I am waiting to see what the machining company comes back with for the new quote price.

Hydraforce
RV10-22 relief valve
EC10-42 80psi preset pilot operated compensator with power beyond outlet
CV08-20 check valve
SP10-58C PWM steering cart
SV08-45 as a blocker (left and right can be simply Tee connected to Left and Right tractor steer hoses- like a Raven system does)
2-CV04-20 check valves for external load sense input and sensor mount.
Then some SAE #4 and SEA#2 plugs for the drill passages.

Port PS1 can be used as the override sensor on Open Center as it reads the spike in the power beyond supplying the steering orbit valve
port PS2 can be used when reading the pressure from a load sense steering orbit valve. Connect the orbit valve LS to the port LSIN. Then connect the valve LSOUT to the tractor LS line to the pump system.

Also again the $300 is the cost of the machined block and does not include the cartridges or plugs. If it works out maybe I can se about pricing it all assembled.

1 Like

ok, that makes more sense, 300 for the block plus components. the steering valve alone is probably $300+, plus the other parts. I would be curious to see an assembled price, and then deside if it is worth it to have two different kinds of hydraulic blocks on the farm.

Certified Power shows a list price of $122.57. I wonder if that is still accurate. Prices have been crazy on things with the tariffs. The SV08-45 shows list around $51. Looks like the check valves run $15-20. The EC valve around $60.

Update: 11/14/2025
We have two good price sources. One here in the US but they lack a couple of the port machining bits so want us to pay for them, but they keep the bits for themselves. The other is a cnc shop in China. They have all the machining tooling and the price is good. Even with Trumps 30% tariff tax this remains the less expensive option unless we were to manufacture a few dozen at a time. Then the US option becomes competitive. We are going to have a few made for our own farm at the China based supplier. We will see where this goes from there.

This is good news, I’m in the USA ohio I could be interested in 5 valve blocks or complete assy mostly OC. I’m thinking about taking the raven valve off my sprayer for the time being to see if I can make it work but Id rather get one off you