If your valve has this plug between the lock valves it is a universal type and the check valve is inside that hole.
Yes, I have a plug like the one in the picture, so my valve is suitable for my tractor.I have no idea where else the problem could be
I have the same valve, but still added the external valve, and then it worked. It is around 10 euros and a couple of T-connectors. It won’t hurt to try.
The problem is that your orbital valve is not sending oil to the LS line, which prevents the pump from requesting more pressure to turn the steering wheel. Had that problem on Fendt 716.
I checked the pressure reaching P on the hydraulic block and it is only 30 bar, when I start turning the wheels it normally jumps to over 120 bar, and when I turn on autosteer it is the same as 30 bar at a standstill.
I ordered a check valve, it doesn’t cost much and maybe it will help, I’m thinking of installing it tomorrow
For those who missed on telegram. This was mareks (baraki ) short version of info.
"We are producing blocks and putting them on a pile because we are short of PRM2. The next delivery is promised for July 15.
Argo hytos has promised an improvement in the matter of deliveries in the future, so I hope that the lack of props will soon stop blocking me."
Just so you know…
The additional valve did not help, there is no difference. I checked the connection of the hydraulic lines, everything is as in the diagram, it looks to me that the block is not able to move the LS line, but why?
Try switching the Ls lines on the block
There is same in the doc about using T coupler.
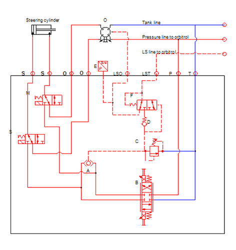
“5 hoses will be an LS system and needs an LS valve with “Tee” connection and will be connected parallel to the P / T lines and between the LS / steer lines.”
[Steering with hydraulic block | AgOpenGPS Documentation]
https://docs.agopengps.com/hardware/img/ls-valve-installation-1.png
I don’t understand this diagram, install a check valve between the orbitrol and the block?
Do a T branch, so both the steering valve and block have their “OWN” line to the PUMP. Put a check valve so that the oil from hyd block does not flow back to the steering valve.
Why is external check valve needed? When gps steering is off then LSO and LST are connected internally and oil can flow freely. If gps steering enabled then F seems to be spring and C pressure pushes F coil so that LST line gets pressure from C.
E seems to be pressure sensor. When F coil is compressed and LST gets pressure from C then LSO is disconnected from pump. When you turn steering wheel it will increase LSO pressure and it should switch gps steering off and back to tractors own steering. But if you have external check valve does E pressure sensor sees any pressure difference?
Ok now I understand I will try to do it
Do you have these T “Tee” with 3 ports connected? In open center you connect in series. In LS you connect in parallel
Yes, I have it connected like that, maybe not at the orbitrol itself, but the principle of operation is the same
Search “fendt” in this topic if you have fendt and read replies by user “baraki”. Basically markonovic00 posted few days ago how check valve is connected. Same answer can be found by baraki earlier posts.
What tractor do you have? Is it fendt? What model?
I have a Fendt farmer 308 1997
@baraki I found this post from baraki
. Is it possible that despite the orbitrol on 5, I need an OC valve?






